MARANTZ CD−46
修理とトランスポート化
05/05/23
CD−46の内部
VAM1201ドライブユニット
注文はMARANTZ「CD−46」用のCDM12としていつも世話になっているオーディオ店に無理をお願いしました。
しばらくして届いたのがこれ「VMA1201」です。これで6k円しました。このユニットはMARANTZの最近の
CDプレーヤーに使われているもののようです。中古で音の出るCDプレーヤーが4〜5k円で売っているのですから、わざわざ
直して使う道理がありません。ちなみにパーツごとに送ってもらえればもっと安くできるでしょうが、それはできないようです
し、素人には壊れた状態ではどこが悪いのか判断がつかないでしょうから結局ドライブごと取り寄せることになりそうです。 CDM12を本体から外すには CDM12を本体から外すには CDM12のドライブユニットを分解 ピックアップ ピックアップユニットを外す方法
左側の部分はケースの後ろ側です。この心棒を固定している黒い部品をドライバーで外します。右側はベース前側の固定
している部分ですが、ここはドライバーが入らないので外せません。ただ、心棒の後ろ側を浮かせて引っ張ればピックアップ
ごと抜けるので外すことができます。この写真はモータを付けたままなので、ピックアップを移動させるにはシークモータの
軸を回してピックアップを移動させています。
CD−46の基板 デジタルアウトを引き出す システムClockを取り替える 基板裏の配線 Clock基板 コンデンサーの取り替え(1) コンデンサーの取り替え(2) DACとのシンクロ 基板裏の配線 デジタル回路5V電源の分離 電源の接続
5V電源の基板 5V電源を分離した後 5V電源とClock電源分離 クロック信号送り出しを同軸ケーブルに変更 デコーダー側の接続 改造後のCD−46 DSIXを付けてみました
オシレータを元に戻す DSIXを出力端子の近くへ設置 DSIX
マランツの製品は普通のドライバーで開けることはできません。トルクスを使っています。まず開けるため
にトルクスを購入する必要があります。ジャンクのCDプレーヤーよりこちらのほうが高くついてしまいました。
開けて見るとごらんのとおり、右端にドライブユニットと基板、フロントパネルにデスプレーと操作用の基板が2枚
あるだけで、中はスカスカの状態です。ケースは薄い鉄板を使っています。片端を持ち上げると曲がってしまうほど
ぺらぺらの状態です。上蓋を付けた状態で強度を持たせているようです
こんな感じですから安かったのもうなずけます。修理して使おうなどとは、考えないほうが良いでしょう。なぜなら、
ドライブユニットを購入すると案外高く付くからです。
中古家さんに行ってもMARANTZのCDプレーヤーはほとんど見かけませんが、このユニットが比較的高く、直して
売ってもペイできないためそのままごみ置き場に行くためではないかと想像できます。sonyのプレーヤなどは比較的よく中古
家さんに出ていますが、これはゴムベルトを交換すると直るケースが多いので出ているみたいです。ゴムベルトは200円
ぐらいでサービスに頼むと手に入れることができます。
VMA1201は多分上位互換であろうかと思います。注文したときマグネットラッチもいっしょにやってきました。
CDM12用とは互換性がないらしく同時購入することになりました。VAM12のマグネットラッチにはフェライト磁石
が付いています。
オリジナル側のCDM12本体側にはフェライトとは思えない強力な磁石が付いています。したがって、ラッチ側は強力
な磁力は必要でないらしく鉄板が付いているだけのようです。
VAM12は本体側がフェライトに変わったためかラッチ側も磁石にする必要がでてきた模様です。
ほかにも、ピックアップを動かすモーターがVAM12は小さいものに変更されています。
修理用に注文したVAM12には配線コードが付いて来ませんので、今付いている配線をはずして付け替える必要があり
ます。右側は配線を付け替えたあとのVAM12です。何本もありますが1本ずつハンダを付け替えていけば間違いません。
Marantz CD−46にはCDM12が付いていますがこれをばらすにはCDプレーヤー本体から外す必要があります。
まず、ディスクトレイとCDM12はプリント基板にねじ止めされているのでそのねじを裏から外します。
次にCDM12と基板の間のコネクタを外します。このコネクタ付け外しにはちょっとしたコツがいります。基板の白いものが
コネクターです差込部分を横にずらすようにすると簡単に外れます。
外すのは簡単ですが、付けるときはとても難しく差し込んだ基板が上手く固定できず何度もやり直しすることになりました。
上手く奥まで差し込めているかチェックをしたほうが良いでしょう。
CDM12をディスクトレーから外します。CDM12本体はゴムブッシュで浮いたようになっています。ゴムブッシュは4個
あります、ドライバーなどを使って横にずらすようにして外します。無理に外そうとするとブッシュを壊してしまい使えなく
なってしまうので、気をつけないといけません。
CDM12はここまで分解することができます。動いているものを分解するのは勇気が要りますが、壊れているのですか
ら、組み立てられなくても何の心配も要りません。
左側がベース部分です、これ以上分解できません。CDを回転させるモーターを外そうとしましたが、しっかり取り付けら
れているためベースを壊さないと外すことはできそうにありません。ローデング機構側に同じモーターを使っていますが、
交換して使うことはできないようです。
右側はベース内のピックアップほかの部品です。ピックアップを移動させるモーターは金具で止められています。したがって
こちらは簡単に取り外しできそうです。ベースをひっくり返して裏側からマイナスのドライバーでベース側に掛かっている留め
金を外すと簡単に外すことができます。モーターは両面テープで留められているのでちょっと力をいれて剥がします。
ピックアップを外すのは少し複雑です。まず、白くて丸いプラスチックのギアを外します。これは、やわらかい材質で簡単
に心棒から外すことができます。この状態にすると簡単にピックアップを動かすことができるようになります。次にピック
アップ移動用の心棒を外します。これを外すには両端についている固定用の部品をドライバーなどを使って外さなければなり
ませんが、ベースの後ろ側の部品だけ外して後ろにずらせば簡単に外すことができます。
ピックアップユニットですラックギアの部分も分解できますが、これ以上ばらしても意味がありません。また、ラックギア
部分は細かい部品を使っているのでこれ以上分解しないほうがよさそうです。ばらしてしまうと部品配置をよく覚えていない
場合には、組み立てできなくなってしまう可能性があります。特にラックギアの後ろ側にギアを留めているステンレス棒が
付いていますが、細くて見にくいのでなくしてしまう可能性があります。
こんな感じでバラバラにして悪いところを交換しCD−46の修理は完了しました。トランスポートへの仕立ては
今調整中ですので追々に公開いたします。
2005/06/01
主要基板はこれ一枚のみ制御部からDACまで全てそろっています。さて、このCDプレーヤーにはデジタルアウトがあ
りません。今時のプレーヤにはDACの入力は無いにしてもデジタルアウトはほとんど付いています。コストをぎりぎり切
り詰めたコンポーネントステレオ入門機というコンセプトで作ったのでしょうか?。
このCDプレーヤーに使っているデコーダーICは「SAA7345」です。このICのテクニカルマニアルが
手に入らないのであればトランスポートにすることなどここで諦めるところですが、インターネットが使える今は便利に
なったものでgooglを検索すればたちどころにテクニカルマニアルを手に入れることができます。
このIC「SAA7345」は2番ピンからBi-Phase Mark Outputが出ているのでここからDACへ送り出すことが
できます。このアウトプットがなければオーバーサンプリングフィルターもいっしょになっているこのICは、信号を取り
出すところがないためトランスポートにすることができないところでした。
基板の表側にICを挿すときに使うコネクターを付けて、ここからデジタルアウトを出すようにしました。
裏側から直接出すと基板を収めたときに引き出しケーブルがじゃまになったりするのでこの方が合理的です。
右側に見えるチップがSAA7345です。この基板の2番ピンは引き出しパターンがないため、ピンの上に直接ハンダ付
けして線を接続する必要があります。隣のピンからパターンが出ていますが、使われていないのでこれを切って利用
する手もあります。
追加して付けているセラミックコンデンサーと進の抵抗器はお決まりのDCカットとインピーダンスマッチングを考慮
したものです。ICに一番近い場所に付けるようにしました。白い配線はグランド配線です、どこから取っても良さそうで
すがこれもICの近くから引き出すようにしました。
左端は基板の使っていない穴を利用して、基板の表側にコネクターを設けてそこに出すようにしました。
右側の写真は基板表側とコネクターの接続です。ごらんのとおりICを挿すコネクタを利用して抜き差しできるように
しました。こうしておけば私のように改造ばかりする人にとって調整するため基板を外さなければならないとき便利です。

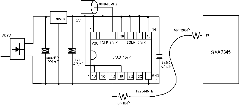
さて、写真に写っているのは、SAA7345の近くにあるシステム用の16MHzのセラミック発振器です。ここに直接
新しい素子を付けることは型が違うので無理ですから、発振回路を作っている抵抗とコンデンサーを外します。が、右の
写真のとおり、セラミック発振素子は外して、ほかの部品は後で戻せるように足の片方だけハンダを外しています。
SAA7345の13番ピンがClockの入力です。今まで付いていたセラミック発振器の後へクリスタルから配線するた
めのグレーのリード線を接続しました。配線の右側はClock側ですがここも基板の使っていない穴を利用して基板の表側に
出しました。はじめは、Clockに直接接続してみましたが、ノイズが乗るのか途中で音が出なくなってCDも回らなくな
りました。
そこで、いろいろ手を尽くした結果反射防止用にニッコーム100Ωをデコーダー側に挿入して上手くいくようになりまし
た。書くのは簡単ですがカットアンドトライで何回もやり直したのでかなりの時間を要しています。やはり、高周波を扱う
回路をつつくときには100〜200MHZのシンクロスコープがあったほうが良さそうです。
白い基板の右側に見える四角い缶が発振素子です。プラクトサウンドシステムさんから購入した高精度のものです。この
段階では電源を本体の+側から取って、3端子レギュレーターで安定化しています。本体の基板へ接続のため発振素子から
基板の裏より直接リード線(缶のすぐ後ろの白い線)を出しています。
左側にあるICは74AC107でこれは、次の段階で使うため付けたものです。リード線は外したままになってい
るのが見て取れます。(本当はこの回路を先に試したのですが、上手くいかなかったため予定変更して直接クロックを供給し
てみて動作するか確認することにしました。)
基板に元々付いていたフィリップスの青色電解コンデンサーをOSコンに取り替えました。基板の表に付けたかったのですが、
ドライブユニットとの間が狭いのでOSコンを付ける隙間がないところもあり、その部分は裏側に付けしています。
赤いコンデンサーはELNAのデュオレックスです。ドライブユニットのレーザー回路用だと思われる個所はこれにしました。
この改造をしているとき突然音が出なくなり、初めのうち原因が掴めなかったため取り替えたOSコンに原因があって
コンデンサーを元に戻す必要があるのかと悩みましたが、いろいろ触っている内にランドが切れているのに気づきました。
このため、その部分を白いビニール線で補強しています
この基板の銅箔は薄いらしく部品の付け外しを頻繁に行っていると、簡単に剥がれてしまいます。デコーダー周りの配線は
細いので特に注意が必要です。
電源回路にはELNAの汎用品が使われています。これを同じくELNAのデュオレックスの4700μFに替えました。
オリジナルはプラスとマイナスで容量が違いますが、デジタル回路もこの電源から取っているため+側の消費電流が多いた
めだと思われます。
今回はデジタル電源との分離も視野に入れて同容量のものにしました。そのため、型が大きくなりそのままでは交換できな
くなり足の部分が浮いています。
DACとCDプレーヤーでClockの同期を取ると音質向上に大きな効果があります。是非にもこれに挑戦し
なければなりません。
しかし、最初いきなりシンクロをやってみましたが失敗しました。原因をつかむため順を追って、まず発振器をCDプレーヤー
側に付けて上手くいくか試す必要があった訳です。
私の場合DAC側に33MHzの発振器が付いています。ここからClockを供給することになります。しかし、
CDプレーヤー側はシステムClockが16MHzなので変換する必要があります。そのため74AC107の
フリップ・フロップ1ユニットを使って1/2に分周し16MHzを得ます。
CDプレーヤー本体側に発振器を付けた場合は上手く動作したので、この分周回路に不調の原因があったものと考えられま
す。いろいろやってみたところ、アースの取り方に問題がありました。
デコーダーICのSAA7345へは、アース回路が電源から引かれています。アース回路はこの経路があるのでClock
からは信号回路だけ引けばよいものと考えていましたが、こちらからもアースを引く必要がありました。74AC107の
すぐ近くから白い線が2本出ていますがこの片方がアースです。アース回路はこのためループができています。普通アンプなどの
音声回路を設計する場合はハムが出るためループを作るのを嫌うのですが、高周波はちょっと違うようです。
基板の裏側はこのとおり、右側中央から左下に走っている白い線がClockに行っているアースラインです。SAA7345
のもっと近い所に接続するポイントがありますが、この位置が配線しやすかったためここに決めました。Clock信号
の配線は発振器内臓のときと同じで反射防止抵抗100Ωも付けています。
デジタルの5V回路を分離すると音質に与える影響が大きいのを、CDM12のとき経験したので見過ごすわけには
いきません。電源の分離など新しく平滑回路とレギュレーターを付ければすぐできそうですが、今回この改造が一番
苦労しました。分かってしまえば何の事はなっかたのですが、シンクロなど持っていない私にとってはカットアンドトライの
連続でした。(そこが面白いともいえますが)
測定器を持ち合わせていない方には、私と同じように改造したとしても成功す確証はないので、お薦めできません。
前置きが長くなりました。上の写真で基板上に○42とスタンプを押してありますがその左側にあるのが5V用の
レギュレーターです。これを外して5V専用電源から供給するように考えました。
さて、このプレーヤーにはちょっと厄介なことがあります。それは、電源の「入り切り」SWがAC100V側ではなく
2次側の〜10V側にあります。したがって、別電源にしてトランスを付けると電源の「入り切り」に工夫が必要になってきます。
基板についていた7805を抜いてしまいここにコネクタをハンダ付けします。ICピッチの3ピンコネクタが穴を広げな
くても入ります。青がアースで赤が+5Vです。白い線はこの基板側からレギュレーター基板側に供給する+10Vです。
+5Vのレギュレーターはこのようになっています、黄色いものはDC12Vのリレーです、本体から10Vを引いたのは
このリレーを動作させるためで、これを使ってレギュレーターの電源を「入り切り」しようということです。
レギュレーターは本体から外した7805を使いました。ダイオードは1Aのファーストリカバリータイプですコンデンサーは
ニッケミMUZUBP1000μFを使ってみました。もっと容量は大きくしたほうが良いかもしれません。
基板の上側に見えるトランスが8V300mA位の容量でこの回路専用に付けたものです。使っていると少し暖かくなるので
この位の容量は必要なようです。
改造後はトランス1個基板2枚が追加となりました。音も良くなって満足していたのですが、ちょっとした不具合が発生する
のに気づきました。セットの上蓋を付けるとノイズを拾うのかデコーダーのSAA7345が気絶して音が出なくなってしまう
のです。CDは回っているのでドライブ回路には影響は出ていないようです。Clock回路をいじっていたときは最初回転も
しなかたので今回の症状はちょっと違っています。
おまけにパルス状の鋭いノイズが発生しているみたいで、メインアンプの保護回路まで働いてしまうので、始末に終えません。
私のオーディオ・システムはDACからメインアンプまでDC接続になっていて、メインアンプに保護回路を入れている
のでいいようなものの、これがなければスピーカーが危険な状態で冷や汗ものです。
蓋を開けた状態では何の問題も発生しないので、高周波ノイズがCDプレーヤー内部にこもって悪さをしているに違いあり
ません。
という訳で1からやり直しになりました。
まず、今まで改造した5V電源のレギュレーターICは基板側に戻しました。
このようにしておいて、まず手をつけたのが新しく付けた5V電源とClock電源を分離してみました。本体側の
基板裏側のパターンを切って整流回路からここに5V電源用に供給します。ついでクロック電源だけ本体側の整流回路から
供給し分離しました。少しは改善されてCD1枚聞く間に1〜2回程度気絶するぐらいになりましたが、まだ完全とは
いえません。
電源周りが関係しているのは確かなようなので、Clock電源を完全分離するためトランスを1個と整流回路をClock
基板に追加してみましたが、これはだめでした。予想は外れ以前の状態に戻り返って悪くなってしまいました。
16MHzの信号はClock基板からデコーダーまで裸の線で引き回されています。この間10cm位あります。当然高周波
ですから電波になって飛び回っているわけです。この高周波が基板のいたる所に影響を与えることは考えられます。
最初は、波形の再現性が悪いので裸のほうが良いなどと(波形を見たわけではない)思い込んで、対策など思い付きません
でしたが、最後の手段として1.5C2Vの同軸ケーブルで配線してみたところ、今までの苦労は何だったのだろうかと、
自分でも驚くぐらい安定になりました。
上蓋を付けて完全密閉(当たり前ですが!)にして、しかも不安定だった電源分離をしてもすこぶる安定になってしま
いました??。
デコーダー側の配線はこのとおり今まで繋いでいたアース配線の後へ1.5C2Vの同軸ケーブルを配線しました。同軸
ケーブルはホットボンドで外れないように固定しています。1.5C2Vのように芯線が細いと何時の間にか芯線が切れ
ていたということになりかねません。反射防止用の抵抗はそのままにしています。外しても良いかもしれませんが、不都合
がないのでこのままにしています。
改造後はトランス2個基板2枚が追加となっています。この状態で1〜2週間音が落ち着くまでエージングします。
最初の1日目は期待したような音はしませんでしたが2日目位から高域の出方がぐっと変わってきました。ざらついた感じが
無くなりしっとり落ち着いてきます。高域の量が減少したようにも感じますが、よく聴いてみるとひずみが減少したのか
楽器の質感を良く表すようになってきます。
プラクトのCDM12キットに比較しても情報の密度と解像度では引けを取らないと思います。が、細かく比較すれば音の
厚みが薄めなのでボーカルなど力を抜いた感じで歌っているようになります。DACが違うのですから当り前ですが、低価格の
CDプレーヤーとは思えない音がしています。レーザーのドライブ回路やモーター回路などをいじればもっと重圧な音にするこ
ともできそうです。ただ、同じ傾向の音がするプレーヤーが2台あってもしょうがありません。気分によって繋ぎ替えて聴くの
も良さそうです。
このプレーヤーは今となっては購入することは叶いませんが、CDM12を使っているPhilips系のCD
プレーヤーに応用できると思いますし、オークションなどで手に入れることができれば、価格が安いので改造を失敗したとし
てもそれほど痛手を負いませんから、DACを自作された方などには、手軽にCDトランスポートとのシンクロを実験
できるのでお薦めです。
2006/02/01

初めてCD再生用に自作したDACはバーブラウンのチップを使いましたが、バーブラウン以外で気になっているDAC−ICがあります。
それというのもPHILPSのTDA1541です。PHILPSはCDの規格を考えた会社で精力的に製品を世に送り出しています。
PHILPS以外にもOEMとして他社に部品を供給しているようです。また、当然といえば当然ですがヨーロッパのアマチュアは
バーブラウンよりもPHILPSのDACの方に人気があるようです。
TDA1543などの新しいチップも自作マニアの間で人気が高いようですが、すでにBBのDACを完成した私としてはTDA1541
以外考えられませんでした。昨年の夏前に入手していましたが今まで手をつけていませんでした。それと言うのも金田式の録音
システムの製作に勤しんでいたためです。この間少しずつパーツを集めており昨年の暮れあたりにすべての部品が集まりました。
DACを作るとなると基板を起こすのが一苦労でこれだけでも相当時間がかかります。今回はある方が基板を配布(このこ
とについては聴かないで下さい)して下さったのでこれを使ってみる事にしました。そうなると話は簡単部品さえ揃えば基板には
んだ付けするだけでいとも簡単に完成させることができます。感謝・感謝
さてDACは完成しましたが、我が家のCDプレーヤーはバーブラウンのDAC側とシンクロするように改造しているのでそのまま繋ぐこ
とができません。そこでこのMARANZのCD−46を単体でも動作するように16MHzのOSCを内蔵するように変更しました。
簡単なことのように思えますがここでちょっとしたトラブルに見回れ改造に3日も掛かってしまいました。それはデコーダーICに
ノイズが乗ってしまうのです。以前も同じことがあったのでそれを思い出せば良かったのですが罠にはまってしまいました。BNCケーブル
を接続するとそうなるのでここからノイズがデコーダー側に入り悪さをしているのであろうと出力側にコイルを入れるなどしてアイソレート
てみました。しかし、少しは改善するものの皆無の状態にはなりません。結果的にはオシレータの出力に抵抗を挿入することで問題ないレベルまで
改善することができました。と言うことはデコーダーにはclockからノイズが入っていたことになります。(~~;)
この過程で出力側にインバータICを挿入したのですが、明らかに音質が改善したように感じました。こうなるとDSIXを付けてみようと考
えるのも当然といえば当然でしょう。ちなみにDSIXとはデジタル・シグナル・アイソレーション・エキサイターのことです。メーカー製
の製品も販売されていますのでそちらを購入する手もあります。発売当初大ヒットしたそうです。が、自作派の私にはこのパーツでこの値段
は高いと思えます。最初はMJ誌のライター柴崎 功氏が考案した物で2004年2月号に旧バージョンの最後の回路が載っています。メーカ
ー発売の製品版は内容が一新された別物のようです。WebではYASU氏が紹介していますのでそちらを参考にすると良いでしょう。なお、
YASU氏のWebに載っている回路は最終版ではないようです。
DSIXを付ける位置は当然出力の端子に近い位置になりますが、その部分は余裕がないので上手いこと作らないと入りません。
ごらんのとおり基板とトランスに挟さまれてぎりぎりです。
最初から入れるのであれば良く考えて配置したほうが良かったと言いたいところですが、どう考えてもこの位置しかなさそうです。幸いちょう
ど良いサイズの基板がありました。しかしケーブル類の引き回しが煩雑になりました。
DSIXはこんな感じデジタルICとフェライトコアに銅線を巻いたアイソレートTrが主要部品です。柴崎 功氏が考案した回路では
7805のレギュレータも組み込まれていますが、私の場合は電源基板側に設置しています。追々にこちら側に移してみる予定です。
74LS04の上位バージョンの74AC04を刺しています。高速タイプの出力電流が稼げるタイプでインバータが6個入ったIC
です。
オリジナルの回路はインバータ1個でデコーダーの信号を受け残り5個を並列駆動するようになっています。さらに並列駆動したインバータの
出力を330Ωの抵抗で並列接続し出力するようになっていますが、私は実験するためにインバータ単独駆動の出力と4個並列駆動の
出力を出しました。並列駆動と単独駆動出力の差はどんなものか試してやろうという訳です。
フェライトコアはFT-50#77を使いました。1次側約15巻き2次側9巻きとしました。オリジナルは1次2次共に9回巻きです。
柴崎氏によると巻き数によって音質差が出るようです。私は試していません。(~~;)フェライトコアと74AC04はサトー電気で取り
扱っています。なお。74AC04はDIPを使いましたが、芝崎氏はSOPを使っています。より高性能を狙うのであればSOPを
使ったほうが良いのかもしれません。